√ダウンロード スター デルタ 回路 326528-スター デルタ 回路
実践的な複素数計算法(3)ΔーY変換による回路の簡単化 音声付き電気技術解説講座 公益社団法人 日本電気技術者協会 三つの端子間のインピーダンス結線にはΔ結線とY結線とがあり、インピーダンスを等価に保ったまま相互に変換することができる。 三相交流回路では、電源の結線にもΔ結線、Y結線があるため、等価変換により結線を統一すれば計算が容易に スターデルタ (Y△)始動法の始動回路をシーケンス図とラダー図で紹介! 21年6月4日 21年6月24日 スターデルタ (Y△)始動をする時はスター (Y)からデルタ (△)に切り替えるように制御しなければいけません。4 三相0V7.5KWモータ 5 d種のELB動作用接地を単独に 6 11Kwのスターデルタのモー 7 3相0vモーターに繋がっている 8 スターデルタ回路で直入れ起動 9 3相の機器で、1線断線すると壊
三菱電機配電制御器選定スケール 三菱電機高効率 Ie3 モータへの適用 機種を選定する 低圧開閉器 三菱電機 Fa
スター デルタ 回路
スター デルタ 回路-主回路 外形寸法 mm 準用 キャビネット 摘要 納期 区分 標準価格(円) ヨコ タテ フカサ;スターデルタ始動のモータを使用する場合 対象機種: 共通 スターデルタ始動のモータをインバータで駆動する場合、デルタ結線側のみで使用してください。 インバータは、モータを低い周波数・電圧から始動するため、商用電源駆動に比べ、始動電流を抑えられます。



スター結線デルタ結線時の電流電圧測定 Youtube
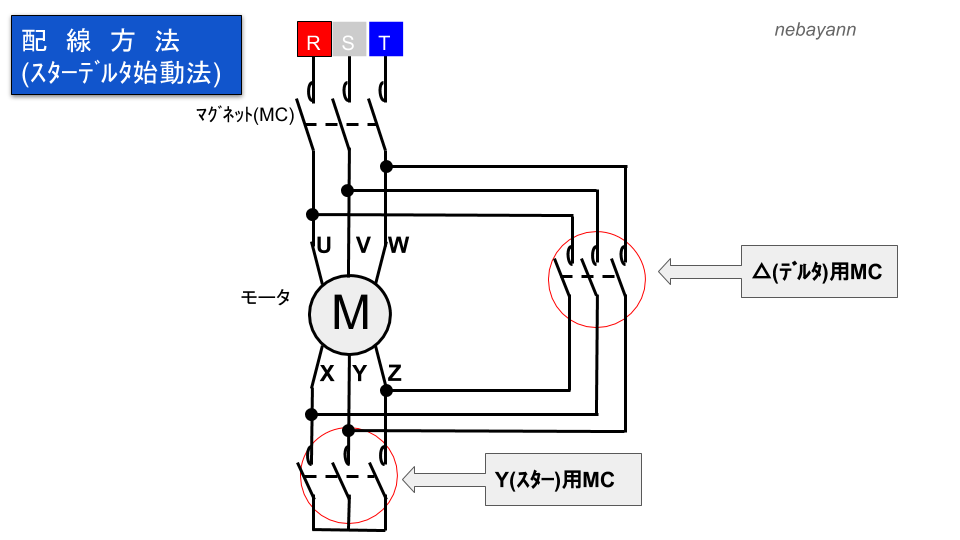
スターデルタの問題点 どうしてスターデルタではだめなの? 直入れのトラブルを避けるために、一般的にスターデルタ方式が用いられていますが、 ここにも問題があります。スターデルタ始動には3台の電磁接触器を使用(図1の3 接触器式)、2台の電磁接触器を使用(図2の2接触器式) およびスターからデルタへの切換時に一旦抵抗を挿入(図 3のクローズドトランジション式)する方式があります。 なお、スター用(mcsまたはmcs1)とデルタ用(mcd)電 3つの抵抗素子を組み合わせて出来る接続方法として, \( \Delta \) (デルタ)接続と呼ばれるものと \( Y \) (ワイ)接続と呼ばれるものを紹介するそして, これらが互いに相互変換可能なことについて議論しよう( \( \Delta \) – \( Y \) 変換) ここでは直流回路の場合を例に2つの接続方法の相互変換を
14~150 38~0 38~0 125~2 注1 MCM:電源用電磁接触器 (メイン用)、MCD:運転用電磁接触器 (デルタ用)、MCS:始動用電磁接触器 (スター用) 注2 MCSの選定は三菱低圧開閉器総合カタログ記載の接続および動作にのみ適用します。 注3 上記記載のない事項についスター用 電磁接触器(6) デルタ用 電磁 開閉器( 42+49) 絶縁用 電磁 開閉器(52+49) デルタ用 電磁接触器( ) スター用 電磁接触器(6) rc(a) 整定電流幅(a) 形 式 0v 55 hs hstk hstk hs hs 15 12~18 trb2e 75 hs25tk hs25tk hs25 11 hs35tk hs35tk hs35 28YΔ変換(ワイデルタへんかん、YΔ transform)、スターデルタ変換(stardelta transform)、TΠ変換(ティパイへんかん、TΠ transform)とは、Y字型に接続したY接続(Y diagram)回路と、三角形に接続したΔ接続(Δ diagram)回路が、等価の回路になるように変換する手法である。
(参考回路図付き) スター接点、デルタ接点、瞬時接点の3つの接点を持っています。 設定したタイマ時間経過でスター接点からデルタ接点に切り替わります。 スターデルタタイマの仕様 ⑦の接点がスター接点で、⑥の接点がデルタ接点です。三相交流回路のスター結線(Y結線・星型結線)とデルタ結線(Δ結線・三角結線)の特徴について説明します。 スター結線の線間電圧 は 相電圧の ルート3倍 になります。 デルタ結線の線電流 は 相電流の ルート3倍 になります。図面 gcy55ha 55kw mcb 3p 60amc×3 サーマルリレー(18〜26a) 500 500 0 b55 cos(試験・停止・自動)、gl,rl ③ 137,000 図面 gcy75ha 75kw mcb 3p 75amc×3 サーマルリレー(24〜36a



大型三相モーター 75kw のスターデルタ起動用制御盤制作例 実回路図付き シーケンサ制御 Com



スターデルタ始動回路の配線実習 新しいことに挑戦
電動機のスターデルタ(Y-Δ)始動方式とは、電動機の始動電流を制限する最も簡単な減電圧始動法です。 始動時だけ電動機の固定子巻線を、スター (Y)結線とし、各相に電源電圧(定格電圧)の1/√3を印加し、電動機が加速し、 始動電流が減少した後、素早くデルタ (Δ)結線に切り替えて、直接電源電圧を印加して運転に入る方式をいいます。A11 0v 3相モーター1台の分岐配線・過電流遮断器・接地線の太さ 定格 出力 (kw) 全負荷 電流 (a) cvケーブル 移動電線とし キャブタイヤ ケーブルを 使用する場合 の最小太さ 過電流遮断器容量スキーム スターデルタスターターの制御回路(オープントランジション) の に 押しボタンは最初にによって回路を開始しますスター回路のスターコンタクタコイル(km1)とタイマーコイル(kt)回路を励磁する。スターコンタクタコイル(km1)が励磁さ



電気主任技術者の仕事ブログ 丸山のビル設備管理編with You スターデルタ始動モーターの運用方法 基礎丸山式



Www Den Kan Com E Den E Dentushin E Den19 915 4 Pdf
3相モーターのスターデルター運転とは? 始動時スター結線にて、電圧を1/√3にして相電流を1/3にして、始動電流(突入電流)を下げて比較的大きめなモーターを動かす方法です。 スターデルタ始動は7、5KWのモーターくらいからみかけます。 スタート時の電流が1/3になることで、電源設備への負担を減らし電圧低下も少なくできたりします。 ただし、何でもスター・デルタ方式 この結線は、降圧トランスとして広く用いられます。 励磁電流の第3高調波成分がΔ回路を循環して流れ外部に流出しない利点があります。なお、一次側と二次側に30°の位相差(角変位)が生じます。 2 デルタ・デルタ方式 スターデルタ (Y- )始動法とは スターデルタ (Y- )始動法とは 大きなモーターをそのままいきなりフル回転させちゃうと 始動電流が定格電流の何倍も大きな電流が流れるのでこのスターデルタ始動法を使用 します。 大きな電流が流れると定格電流でブレーカーや電線を選定しているので、トリップが起こりやすく、また電線も熱で焼きついたりするので注意が



スターデルタ配線図 Androidアプリ Applion



1
三相の誘導電動機をスターデルタ始動した場合の電流の話です。 皆様ご承知の様に、スターデルタ始動はよく用いられる始動方法です。 この始動方式を用いた場合の、始動電流及び始動トルクの関係は次の様に説明されています。 説明その1スター運転は正常運転するが、デルタ運転に切り換わったら、 停止してしまう。 u2, v2, w2の配線3本を、端子台より外して、一つずつ隣の 端子台へずらして結線する。 2 ④~⑥ スター運転は正常運転するが、デルタ運転に切り換わったら、サー



スターデルタ結線図 Androidアプリ Applion



スターデルタ始動法による電動機のシーケンス回路 基礎からわかる電気技術者の知識と資格



山形電気株式会社 電気の豆知識11 20



電動機を始動 停止させる方法 電気設備 基礎からわかる電気技術者の知識と資格



電気回路の素朴な疑問 その2 東洋電装株式会社



Http Literature Rockwellautomation Com Idc Groups Literature Documents Wp 150 Wp004 Ja P Pdf



スターデルタ始動器シミュレーター 巻き線の極性を逆に接続した時 Youtube



誘導電動機のスターデルタ Y D 始動法



スターデルタについて モータ始動器専門メーカー 電光工業株式会社



Http Www Mekatoro Net Digianaecatalog Hitac Kaiheiki Book Hitac Kaiheiki P0031 Pdf



スター結線デルタ結線時における欠相の確認 Youtube



Http Www Mekatoro Net Digianaecatalog Hitac Kaiheiki Book Hitac Kaiheiki P0031 Pdf



スターデルタ始動法による電動機のシーケンス回路 基礎からわかる電気技術者の知識と資格



スターデルタ結線図 Androidアプリ Applion



スターデルタ始動回路の配線実習 新しいことに挑戦



第1種電気工事士試験 配線図問題 1 エアコンの安全な修理 適切なフロン回収



1996 号 タイマ Astamuse



Q Tbn And9gcscrjhtt1oxgp5l8dmnisemnr3ulzqde71 Rol7pi Ff Vxur Usqp Cau



スターデルタ形式のモーター始動



電気回路の素朴な疑問 東洋電装株式会社



誘導電動機のスターデルタ Y D 始動法



三菱電機配電制御器選定スケール 三菱電機高効率 Ie3 モータへの適用 機種を選定する 低圧開閉器 三菱電機 Fa



Android 用の スターデルタ結線図 Apk をダウンロード



スターデルタ始動法による電動機のシーケンス回路 基礎からわかる電気技術者の知識と資格



誘導電動機制御装置 誘導電動機制御方法



電気工事士1種 解説 三相かご形誘導電動機の始動方法は全電圧始動とスターデルタ始動が重要 ふくラボ電気工事士



スターデルタ Yー 始動法とは何 使用時の注意点 将来ぼちぼちと



09 号 スターデルタ始動装置 Astamuse



大型三相モーター 75kw のスターデルタ起動用制御盤制作例 実回路図付き シーケンサ制御 Com



適切な結線方式の理解 日経クロステック Xtech



大型三相モーター 75kw のスターデルタ起動用制御盤制作例 実回路図付き シーケンサ制御 Com



05 号 誘導電動機のスターデルタ始動装置 Astamuse



電気主任技術者の仕事ブログ 丸山のビル設備管理編with You 電気主任技術者 仕事 スターデルタ始動法 モーター管理



スターデルタ始動法による電動機のシーケンス回路 基礎からわかる電気技術者の知識と資格



ポンプ スターデルタ始動法の特徴とは エネ管 Com



誘導電動機のスターデルタ Y D 始動法



電磁接触器 開閉器の選定 スターデルタ始動への適用 開閉器 遮断器 高圧機器 日立産機システム



スターデルタについて モータ始動器専門メーカー 電光工業株式会社



電気工事士1種 解説 三相かご形誘導電動機の始動方法は全電圧始動とスターデルタ始動が重要 ふくラボ電気工事士



質問です スターデルタ制御回路のシーケンス図を書いたのですが Yahoo 知恵袋



電気工事士1種 解説 三相かご形誘導電動機の始動方法は全電圧始動とスターデルタ始動が重要 ふくラボ電気工事士



電気工事士1種 解説 三相かご形誘導電動機の始動方法は全電圧始動とスターデルタ始動が重要 ふくラボ電気工事士



実際の校内施設の スター D デルタ 結線始動モーター Youtube



電気主任技術者の仕事ブログ 丸山のビル設備管理編with You スターデルタ始動モーターの運用方法 基礎丸山式



電気主任技術者の仕事ブログ 丸山のビル設備管理編with You 電気主任技術者 スターデルタ始動方式



三相かご形誘導電動機のスターデルタ始動法



変圧器の三相結線 電験三種 これでok



三相結線の種類



スターデルタ始動



スターデルタ Y 始動法の始動回路をシーケンス図とラダー図で紹介 将来ぼちぼちと



スターデルタ形式のモーター始動



スターデルタ Y 始動法の始動回路をシーケンス図とラダー図で紹介 将来ぼちぼちと



電磁接触器 開閉器の選定 スターデルタ始動への適用 開閉器 遮断器 高圧機器 日立産機システム



Y結線とd結線の基本事項 電験三種 これでok



電気主任技術者の仕事ブログ 丸山のビル設備管理編with You 電気主任技術者 仕事 スターデルタ起動故障対応2



電気回路の素朴な疑問 東洋電装株式会社



スターデルタ回路について質問します 以下のように回路を構成しました 負荷 Yahoo 知恵袋



スターデルタ自動始動器 ケース付 Kasuga パトライト Misumi Vona ミスミ



スター結線デルタ結線時の電流電圧測定 Youtube



スターデルタについて モータ始動器専門メーカー 電光工業株式会社



大型三相モーター 75kw のスターデルタ起動用制御盤制作例 実回路図付き シーケンサ制御 Com



誘導電動機のスターデルタ Y D 始動法



電気回路の素朴な疑問 その2 東洋電装株式会社



スターデルタについて モータ始動器専門メーカー 電光工業株式会社



大型三相モーター 75kw のスターデルタ起動用制御盤制作例 実回路図付き シーケンサ制御 Com



スターデルタ始動



大型三相モーター 75kw のスターデルタ起動用制御盤制作例 実回路図付き シーケンサ制御 Com



02 号 電磁開閉器 Astamuse



スターデルタ Y 始動法の始動回路をシーケンス図とラダー図で紹介 将来ぼちぼちと



日本財団図書館 電子図書館 船舶電気装備工事ハンドブック 設計編



大型三相モーター 75kw のスターデルタ起動用制御盤制作例 実回路図付き シーケンサ制御 Com



電気回路の素朴な疑問 その2 東洋電装株式会社



共通 スターデルタ始動のモータを使用する場合



三菱電機配電制御器選定スケール 三菱電機高効率 Ie3 モータへの適用 機種を選定する 低圧開閉器 三菱電機 Fa



電気回路の素朴な疑問 その2 東洋電装株式会社



Q Tbn And9gcrxo4virc3k5u3ag Nqzf0b2oepzbgumhey 6phkrffbsg For1 Usqp Cau



スターデルタ始動法 株式会社 山陽メンテナンス



02 号 三相誘導電動機のスターデルタ始動装置及び同機のスターデルタ始動法 Astamuse



1



スターデルタ運転



誘導電動機のスターデルタ始動装置



3相誘導電動機のスターd結線と端子台とモータの電線との結線の考え方 Youtube



スターデルタ始動法による電動機のシーケンス回路 基礎からわかる電気技術者の知識と資格



Y D スターデルタ 回路を作って動作させてみた Youtube



デルタスター変換 D Y変換



スターデルタ配線図のアイデア Androidアプリ Applion



Android 用の スターデルタ結線図 Apk をダウンロード



スターデルタ結線のスター結線 スターデルタ結線での始動方法について勉強をしてい 工学 教えて Goo



スターデルタ始動法 株式会社 山陽メンテナンス



スターデルターの逆転結線について モーターのスターデルター逆転結線 環境 エネルギー資源 教えて Goo



富士電機 じか入始動とスタ デルタ始動



スターデルタ自動始動器 ケース付 Kasuga パトライト Misumi Vona ミスミ



富士電機 じか入始動とスタ デルタ始動



スターデルタ形式のモーター始動



第二種電気工事士 筆記試験 26 電動機



電気主任技術者の仕事ブログ 丸山のビル設備管理編with You スターデルタ始動モーターの運用方法 基礎丸山式



1995 3695号 主電動機のスター デルタ始動装置 Astamuse



三相誘導モータの結線方法は スターデルタ始動 Youtube


コメント
コメントを投稿